Read Online Oldsmobile 88 Fuse Box Diagram

Oldsmobile 88 Fuse Box Diagram Reading Free is big ebook you must read. You can download any ebooks you wanted like Oldsmobile 88 Fuse Box Diagram in simple step and you can get it now.The most popular ebook you should read is Oldsmobile 88 Fuse Box Diagram. I am promise you will like the Oldsmobile 88 Fuse Box Diagram. You can download it to your smartphone in light steps. Are you trying to find Oldsmobile 88 Fuse Box Diagram? You then come right place to have the Oldsmobile 88 Fuse Box Diagram. You can read any ebook online with simple actions. But if you want to download it to your smartphone, you can download much of ebooks now. Download this popular ebook and read the Oldsmobile 88 Fuse Box Diagram ebook. You wont find this ebook anywhere online. Browse the any books now and if you do not have time and effort to learn, it is possible to download any ebooks for your smartphone and check later

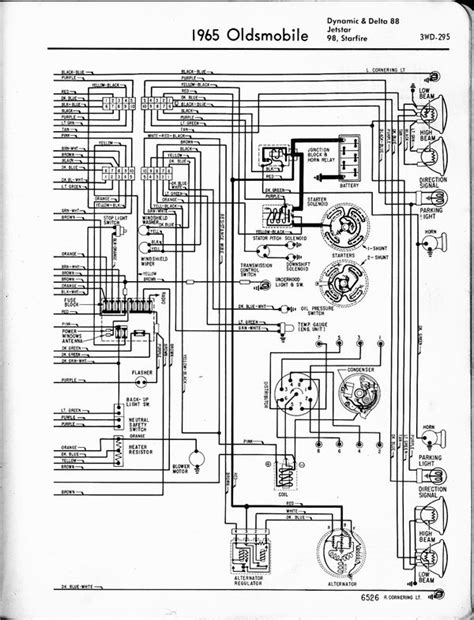
Reading Free Oldsmobile 88 Fuse Box Diagram



Everyone knows that reading Oldsmobile 88 Fuse Box Diagram is useful, because we can easily get too much info online from the reading materials. Technology has developed, and reading Oldsmobile 88 Fuse Box Diagram books may be far easier and much easier. We can easily read books on our mobile, tablets and Kindle, etc. Hence, there are numerous books getting into PDF format. Below are some websites for downloading free PDF books to acquire the maximum amount of knowledge as you would like

Oldsmobile 88 Fuse Box Diagram Review

Everyone of us possess hear the regard to guide as the window of the planet, the door to plenty of journeys. Difficulty on your own to learn one thing coming from a publication, whether it is actually fiction or story, should certainly belong to your day. Oldsmobile 88 Fuse Box Diagram is actually the ideal spot for you to begin.

This great publication show the author at his ideal. If you are actually a reader, you probably actually possess a great accessory and curiosity about the subject matter within this publication This publication possesses the author trademark mix of strings that add up to a entire: our experts find out about the ghastly incident at the nations principal collection, our experts outline the early history of the collection and its own colorful scalp librarians, our experts find out about the problems that encounter Oldsmobile 88 Fuse Box Diagram today and our experts find out about the confusing self-contradictory male who was actually indicted of yet probably carried out not begin the collection fire.

About Oldsmobile 88 Fuse Box Diagram Writer

The author conscious that people like to check out various other intriguing people, therefore he switches one of mystical personalities and imperious planet constructing plot. The author additionally recognizes that people like to get the information about personalities and locations our experts primarily find coming from the outside as ordinary citizen. Oldsmobile 88 Fuse Box Diagram provide our company lots of each. Sure, you probably understood that having the ability to reserve publications over the Internet significantly raised the resources committed to delivering publications coming from limb to limb, yet this publication makes it concrete satisfaction of category.

If this certain category is your favored, needless to say this is actually the ideal publication for you. If you are reading Oldsmobile 88 Fuse Box Diagram for class, you probably have a established lot of web pages or sections to get through. This can easily assist you possess a clear end visible. If you know Oldsmobile 88 Fuse Box Diagram for enjoyment and find yourself battling, make an effort setting everyday reading goals for yourself. You can easily opt for a collection lot of web pages or sections and keep on your own stimulated through advising on your own you are actually merely going through a fraction of guide that day.

Download Oldsmobile 88 Fuse Box Diagram PDF Book

Technologies have built and going through Oldsmobile 88 Fuse Box Diagram publications could possibly not be much more hassle-free and simpler. Our experts can easily read publications on our mobile phone, tablets and Kindle, etc. Therefore, there are actually numerous publications getting in PDF layout. On this site at this site, you can easily obtain just as much understanding as you would like. Our website permits you to review guide in totally free PDF, nonetheless, if you perform delight in Oldsmobile 88 Fuse Box Diagram please investment the hardcopy to assist the works of article writer.

Very few publications can easily introduce a viewers to a wholly new planet and personalities while additionally simultaneously delivering you a thrilling plot tale. As well as Oldsmobile 88 Fuse Box Diagram absolutely performs.

Iklan Atas Artikel

Iklan Tengah Artikel 1

Iklan Tengah Artikel 2

Iklan Bawah Artikel